咨詢電話
13924666952
400-158-1606

無機械齒輪和離合器結構,無磨損,免維護,壽命超長,故障率低;
高精度電流采樣和終值算法驅控,響應快,重復精度高,扭力精準;
具備單段,二段,多段、拆卸等多種工作模式,轉速、扭矩可調,鎖付智能化;
適應機牙螺紋,自攻螺紋,自鉆螺紋等場合;
扭力,圈數綜合評估,降低滑牙、浮鎖誤判率;
驅控器自帶2.4寸真彩觸摸屏可調試設置參數,方便監控調試電批運作;
驅控器IO信號有電批啟停輸入信號、力矩到達和電批報警輸出信號;
集成一個基于MODBUS RTU協議的TTL通信口,外聯控制器或觸摸屏。
智能伺服電批,由伺服電批控制系統和伺服電機構成。不管是從扭力、精度、使用壽命來看,伺服電批都比無刷、有刷電批更強大。伺服電批的扭力大、響應快。
產品特點:
(1)無機械齒輪和離合器結構,無磨損,免維護,壽命超長,故障率低;
(2)高精度電流采樣和終值算法驅控,響應快,重復精度高,扭力精準;
(3)具備單段,二段,多段、拆卸等多種工作模式,轉速、扭矩可調,鎖付智能化;
(4)適應機牙螺紋,自攻螺紋,自鉆螺紋等場合;
(5)扭力,圈數綜合評估,降低滑牙、浮鎖誤判率;
(6)驅控器自帶2.4寸真彩觸摸屏可調試設置參數,方便監控調試電批運作;
(7)驅控器IO信號有電批啟停輸入信號、力矩到達和電批報警輸出信號;
(8)集成一個基于MODBUS RTU協議的TTL通信口,外聯控制器或觸摸屏。
系統功能:
輸入輸出信號:啟動、停止、正反轉;擰緊完成、合格標志、報警輸出;
外圍接口:RS485、IO接口、可實現IO口的所有功能;
實時輸出擰緊數據,由MES系統采集,分析,存儲;
擰緊過程由高速數字控制,精度高,使用壽命長;
支持正反向控制;扭力,轉速,圈數任意調節,多級變速,控制精度更高;
擰緊過程數據管理,記錄可溯;
浮鎖,滑牙等異常出錯報警機制及處理;
擰緊過程主要數據顯示:實時扭力值、圈數、擰緊時間、扭力峰值,合格標志;
相對于IO電批,控制更精準,更環保。
軟件功能:
界面簡單易操作,與智能伺服電批控制器無縫連接,快速便捷的設置電批各類參數。
伺服電批工作狀態信息顯示與記錄,電批狀態實時監控。
扭緊過程可監控,支持波形采集、對比與分析、支持在線調試功能。
鎖付記錄顯示,處理與導出,讓擰緊記錄可追溯、可保存、可統計。
規格型號:
| 功率 | 扭矩 | 轉速/RPM | 適用螺釘 | |
| 100W | 1-9 公斤 / 0.1-0.9 牛米 | 0-3000 | m1.4-m3 | |
| 200W | 3-18公斤 / 0.3-1.8牛米 | 0-3000 | m2-m4 | |
| 400W | 6-35公斤 / 0.6-3.5牛米 | 0-3000 | m2-m5 | |
| 控制方式 | FOC矢量控制 | |||
| 環境 | 工作溫度 | -20℃~45℃ | ||
| 存儲溫度 | -20℃~45℃ | |||
| 濕度 | 90%RH以下,無結露 | |||
| 海拔 | 3000m以下 | |||
| 振動 | 4.9m/sec2,頻率10~55Hz | |||
| 周圍環境 | 無易燃易爆、腐蝕性氣體,無鹽霧,無導電粉塵 | |||
| 數字量輸入 | 視型號而定,最大支持5路 | |||
| 數字量輸出 | 視型號而定,最大支持3路 | |||
| 編碼器反饋 | 多摩川絕對值編碼器 | |||
| 通信功能 | Modbus通信協議 | |||
| 存儲功能 | EEPROM掉電保存 | |||
| 冷卻方式 | 自然冷卻 | |||
| 過載能力 | 視型號而定,過載水平可設置,最高支持3倍過載3.5s | |||
| 報警功能 | 過流,過熱,過壓,欠壓,過載,過速,編碼器異常等報警 | |||
| 上位機軟件 | ServoApp伺服電批上位機軟件 | |||
IO及通訊端口定義:

信號 | 說明 | 信號 | 說明 | |
1 | 24V | 內部輸出電壓,可接入外部電壓 | DO1- | 輸出端子- |
2 | COM | 電源負極 | DO1+ | 輸出端子+ |
3 | SEL | 高低電平有效選擇 | DO2- | 輸出端子- |
4 | DI1 | 輸入端子 | DO2+ | 輸出端子+ |
5 | DI2 | 輸入端子 | DO3- | 輸出端子- |
6 | DI3 | 輸入端子 | DO3+ | 輸出端子+ |
7 | DI4 | 輸入端子 | B | RS485串行信號B |
8 | DI5 | 輸入端子 | A | RS485串行信號A |
9 | NC | - |
注:SEL用于選擇高低電平使用,SEL選擇接入24V時,輸入端子輸入低電平信號有效;SEL選擇接入COM時,輸入端子輸入高電平信號有效。
電機編碼器端口:

各系列電批的編碼器端口統一為DB9,支持絕對值編碼器。
輸入輸出電源端口:
電批電源輸入,接地端口:
信號 | 說明 | |
1 | L1 | 功率電源 |
2 | L2 | 功率電源 |
3 | 〨 | 接地 |
電機動力線,接地端口:
信號 | 說明 | |
1 | 〨 | 接地 |
2 | W | 電機W相 |
3 | V | 電機V相 |
4 | U | 電機U相 |
電氣接線圖:

伺服電批控制器外觀尺寸:

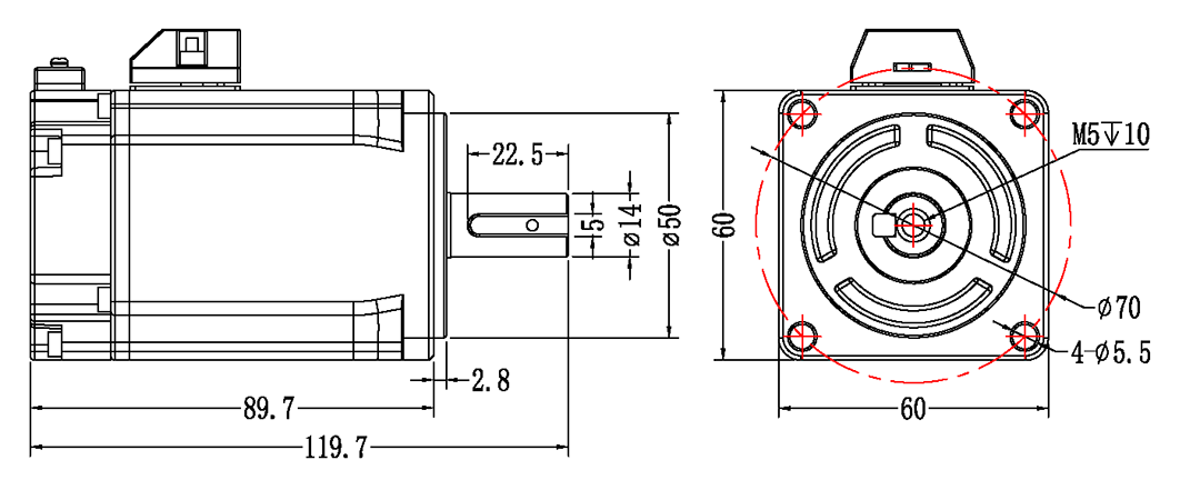
400W電機尺寸:

伺服電機包外殼尺寸圖

伺服電機未包外殼尺寸圖
產品安全認證——CE認證報告

版權所有 ? 深圳市華成工業控制股份有限公司 未經許可不得復制、轉載或摘編,違者必究 版權聲明
Copyright ? Shenzhen Huacheng Industrial Control Co., Ltd. All Rights Reserved.
網站ICP備案號: 粵ICP備19106162號
技術支持:新新網絡