咨詢電話
13924666952
400-158-1606

可支持擴展1~8軸;
專利外觀結構,軸數靈活搭配;
32路標準輸入,32路標準輸出。可增配一塊IO板;
支持增量和絕對值電機;
功率覆蓋100W-1800W;
總線式架構。
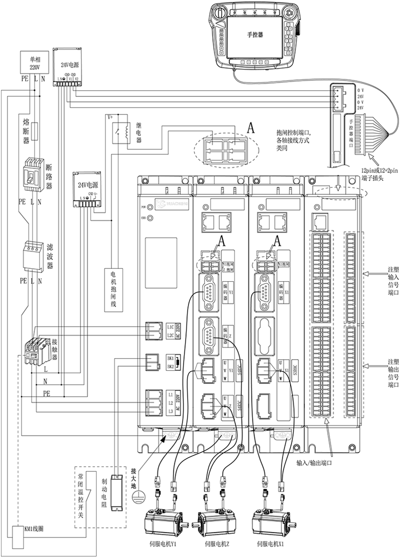
EC系列驅控一體注塑機械手控制系統,華成自主研發的EtherCAT總線型運動控制系統,根據注塑機機械手取出和埋入應用而開發的,內置有專有鎖模安全電路,配合軟件邏輯,做到雙重鎖模安全防護。人機界面符合注塑機生產工藝特性,直觀清晰,靈活示教。有專用注塑機的IO交互接口,可選配EU67標準注塑機信號板卡【兼容EU12】桁架式機械手專用運動控制算法,精度可達到0.01mm。
產品特點
1. 可支持擴展1~8軸;
2. 專利外觀結構,軸數靈活搭配;
3. 32路標準輸入,32路標準輸出。可增配一塊IO板;
4. 支持增量和絕對值電機;
5. 功率覆蓋100W-1800W;
6. 總線式架構。
產品參數
型號 | EC-S3 |
應用范圍 | 注塑取出行業、高精度模內嵌件行業、高速取出、模內貼標注塑行業 |
規格尺寸 | 長*寬*高(mm):249.4*201.1*192 |
重量 | 5.36KG |
額定電壓 | AC220V |
通信 | EtherCAT、485通信 |
控制 | 位置控制 |
I/O | 32路輸入32路輸出 |

注意:用戶需要自行評估IO電源是否超出標配50W,如超出,則需要自行更換大功率電源。
主控尺寸圖:

安裝方式 | 螺絲規格 | 螺絲長度(max) | 安裝扭矩(max) |
螺絲固定 | M5 | 8mm | 7.5kgf.cm |
手控器尺寸圖:

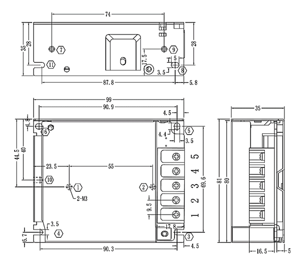
單路開關電源圖:

安裝方式 | 安裝位號 | 螺絲規格 | 螺絲長度(max) | 安裝扭矩(max) |
螺絲固定 | ①--② ⑦--⑨ | M3 | 5mm | 6.5kgf.cm |
③--⑥ ⑩--? | M3 | 3mm | 7kgf.cm |
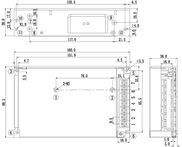
雙路開關電源圖:

安裝方式 | 安裝位號 | 螺絲規格 | 螺絲長度(max) | 安裝扭矩(max) |
螺絲固定 | ①--② ⑦--⑨ | M3 | 5mm | 6.5kgf.cm |
③--⑥ ⑩--? | M3 | 3mm | 7kgf.cm |
制動電阻尺寸圖:

型號 | 25℃-40℃額定功率(W) | 外形尺寸(mm) | 阻值范圍 | ||||||
電阻體 | |||||||||
A±1.0 | B±1.0 | C±1.0 | D±1.0 | E±0.5 | F | G±1.0 | 0.1~20K | ||
RXLG | 200 | 165 | 147 | 30 | 60 | 5.6 | 45° | 119 | |
產品安全認證——CE認證報告

版權所有 ? 深圳市華成工業控制股份有限公司 未經許可不得復制、轉載或摘編,違者必究 版權聲明
Copyright ? Shenzhen Huacheng Industrial Control Co., Ltd. All Rights Reserved.
網站ICP備案號: 粵ICP備19106162號
技術支持:新新網絡